LCD12232F液晶屏中文字库ST7920液晶显示屏外形84X44 串并口通用
访问资料: 发布日期:2016-10-27 17:20
1.实物图:
			
			
			
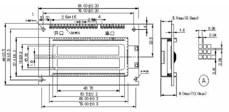
			       2.外形尺寸:
			
			
			       3.接口定义:
(1)并口脚位定义
			
			
			      (2)串口脚位定义
			
			 
			点阵数:122X32
			        型    号:LCM12232F
			        外型尺寸:84.0X44.0X13.5 MM
			        视域尺寸:60.0X18.5 MM
			        点阵大小:0.40X0.45 MM
			        驱动电压:5.0V
			        含驱动器:ST7920
			        背    光:LED背光
			        接    口:8位并行接口或串口
			        使用与储存温度有:常温(工作温度0~+50℃,储存温度-10~+60℃)
					宽温(工作温度-20~+70℃,储存温度-30~+80℃)。
					
					 
	
	 

