LCD1602液晶屏蓝膜字符点阵液晶显示屏(模块)可选3.3V/5V
访问资料: 发布日期:2016-10-27 16:47
	1.实拍图:
	 
	
	
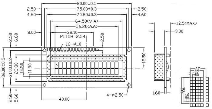
	      2.外形尺寸:
	
	
	 
	
	
	      3.接口定义:
	
	 
	
	 
4.结构原理:
	
	【产品型号】:1602A-V2.0
	        【产品类型】:  字符点阵液晶模块
【显示内容】: 16(列) * 02(行)点
【外型尺寸】:80*36*12.5
【视域尺寸】:64.5×14.5
【点 大 小】:0.55×0.65
【字符尺寸】:2.95×5.55
【显示模式】:黄绿、蓝、灰
	【显示视角】:6:00视角
	        【控制芯片】:S6A0069及其兼容
	        【工作电压】:+5V / +3.3V
	        【存储温度】:常温(工作温度0~+50℃,储存温度-10~+60℃);
宽温(工作温度-20~+70℃,储存温度-30~+80℃)。
详细介绍
1602A-V2.0字符型液晶显示模块是专门用于显示字母、数字、符号等的点阵型液晶显示模块。分4位和8位数据传输方式。提供5×7点阵+光标的显示模式。提供显示数据缓冲区符发生器CGRAM,可以使用CGRAM来存储自己定义的最多8个5×8点阵的图形字符的字模数据。提供了丰富的指令设置:清显示;光标回原点;显示开/关;光标开/关;显示字符闪烁;光标移位;显示移位等。提供内部上电自动复位电路,当外加电源电压超过+4.5V时,自动对模块进行初始化操作,将模块设置为默认的显示工作状态。
显示内容为2行,每行显示16个字符,每个字符大小为5×8点阵。 字符发生器RAM可根据客户需求, 订做中日文、俄文等12种不同国家的字符。
液晶显示模组(LCM)的LCD颜色有黄绿色、蓝色和灰色可供客户进行选择。LED背光颜色有黄绿色、橙色、白色、红色、翠绿色和蓝色可供客户进行选择。

