LCD1602B液晶屏黄绿膜外形122*44字符点阵液晶显示屏 5V
访问资料: 发布日期:2016-10-27 17:33
1.实拍图:
			
			 
			2.外形尺寸:
			
			
			 
			
			
			
			
			      3.接口定义:
			
			 
			
			 
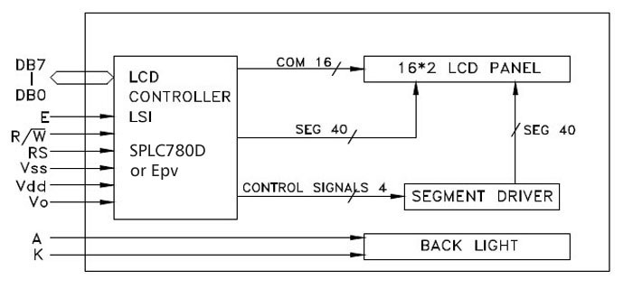
4.结构原理:
			
			 
【产品型号】:LCM1602B
【产品类型】: 字符点阵液晶模块
【显示内容】: 16(列) * 02(行)点
【外型尺寸】:122*44*12
【视域尺寸】:99×24
【点 大 小】:0.88×1.05
【字符尺寸】:4.8×7.95
【显示模式】:黄绿、蓝、灰
			【显示视角】:6:00视角
			        【控制芯片】:SPLC780D及其兼容
			        【工作电压】:+5V / +3.3V
			        【存储温度】:常温(工作温度0~+50℃,储存温度-10~+60℃);
宽温(工作温度-20~+70℃,储存温度-30~+80℃)。
	
	 

